來源:遠東泵業 發布日期
2019-05-16 11:16 瀏覽:-點火油泵適用于鍋爐燃燒,拌和瀝青,各種燃燒器點火專用。高壓力可達4Mpa,輸送溫度不超過200℃,粘度為5×10-6~10-3m2/s(5~1500cst)的各種用潤滑性的介質。如重油、原油、工業輕油、柴油等。如輸送具有腐蝕性,含纖維的介質,需定貨時加以注明。RYB增壓燃油泵(點火油泵)采用特殊材料及工藝,提高了齒輪的強度和耐磨性能,適用廣泛,能替代進口點火泵。
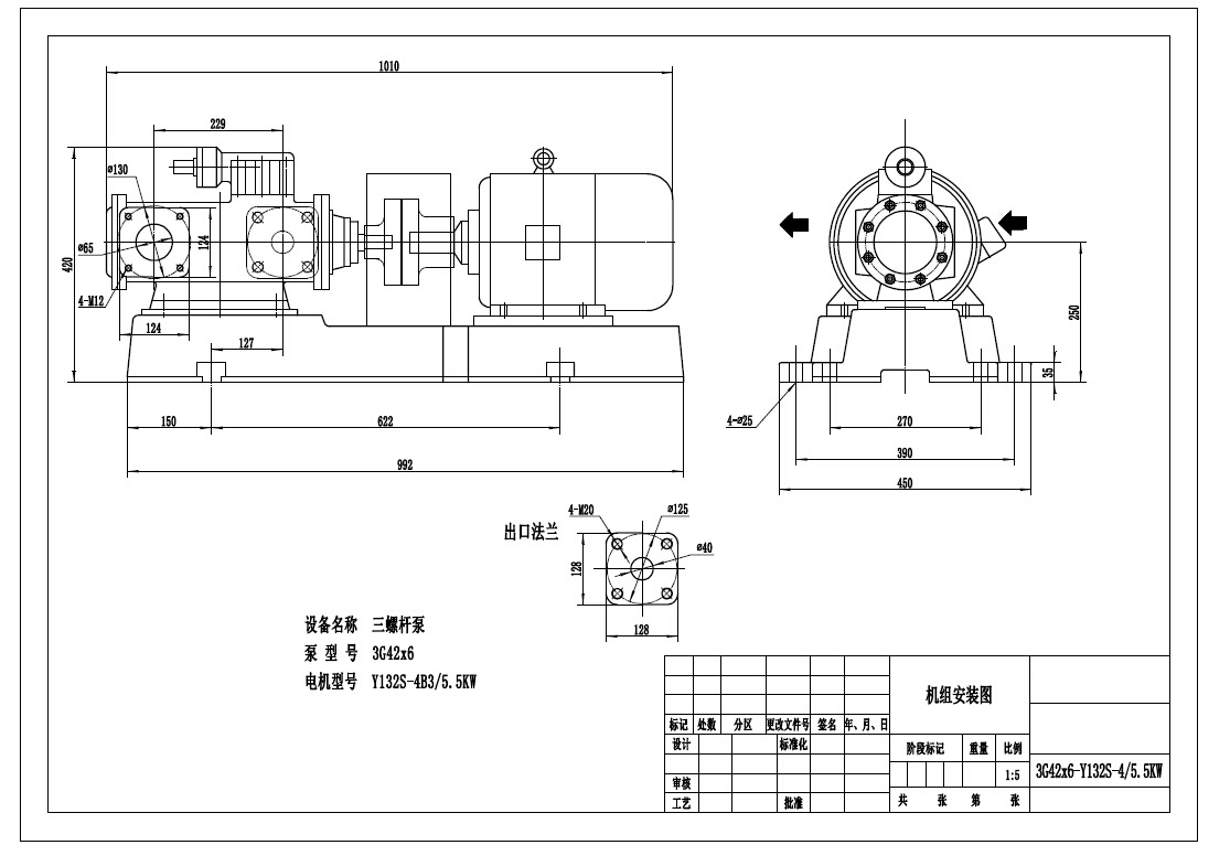
基礎性柴油供油泵型號:3GR42*6Aw21螺桿泵
流量:3.6m3/h 壓力:1.5MPa
轉速:1440r/min 功率:5.5KW

點火油泵是一種新型的工業設備,常應用在發電廠,造船廠等行業里,主要就是點火油泵具有增壓油泵,在應用的過程中可提高工作效率,減少成本等特點。小編現在的任務就是為大家說明一下點火油泵的應用優勢及它的作用。
SMH80ER42E6.7W23點火油泵是一款柴油燃油輸送泵,主要設計用于船舶和熱電聯產余熱發電領域,特別適用于燃燒器增壓系統和燃燒器噴射系統(造船廠和發電廠)。這種泵可輸送普通柴油、船用柴油、船用汽油、低硫船用柴油、重燃料油、船用油。
SMH80R42E6.7W23三螺桿泵使用窯頭點火油泵,燃油鍋爐供油泵,增壓油泵,增壓泵。多倫煤化工,鶴壁煤化工,霍州煤電集團,平湖熱電廠,寧波大榭開發區熱電廠,蕪湖海螺水泥,信義玻璃,和合玻璃,興城熱電,冀東水泥聞喜有限公司等大型水泥煤電煤化工建材單位有廣泛的使用經驗和技術基礎。
新窯次掛窯皮,好使用輕柴油點火油泵SMH80R46E6.7W23和SMH120R42E6.7W23系列高壓三螺桿泵,大型和超大型旋轉窯一般采用SMH210R40E6.7W29點火油泵點火,其點火壓力可以達到5Mpa。因為這樣點火,柴油燃料在高壓力下霧化效果好而且非常充分,燃燒就更加充分,保證了油煤混合燃燒,用煤量少,火焰溫度高,煤粉燃盡率也高。
如果用木材點火,火焰溫度低,初期噴出的煤粉只有揮發分和部分固定碳燃燒。煤粉中大部分固定碳未燃盡就在窯內沉降。而且木材燃燒后留下大量木灰,這些煤灰和木灰在高溫作用下被燒融,粘掛在耐火磚表面,不利于粘掛、堅固、結實和穩定的窯皮。
窯頭點火一般用浸油的棉紗包綁在點火棒上,點燃后置于噴嘴前下方,隨后即刻噴油。待窯內溫度稍高一些后開始噴人少量煤粉。在火焰穩定、棉紗包也快燒盡時,抽出點火棒。以后隨著用煤量的增加,火焰穩定程度的提高,逐漸減少輕柴油的噴人量,直到全部取消。在此期間,窯尾溫度應遵循升溫曲線要求緩慢上升。
在RSP型分解爐上,為使RSP分解爐渦流分解室有足夠的溫度加速煤粉的燃燒,窯頭點火前應將2個C4旋風筒排灰閥桿吊起。這樣,窯尾部分高溫廢氣可以進入渦流分解室經排灰閥、下料管人C4旋風筒,對渦流分解室起到預熱升溫的作用。
遠東泵業30多年來一直堅持為客戶創造價值!
我們在努力了解您的需求,遠東泵業提供給您的不僅僅是產品,還有的流體輸送解決方案。為你解決流體輸送的難題,讓你省心又省力!如果有任何關于流體輸送泵的疑問,請立即撥打遠東泵業免費咨詢熱線:020-82375311,我們會為您提供貼心的服務!
全國服務熱線:020-82375311
聯系電話:020-82375311
傳真:020-82386622
聯系QQ:2853715911
公司地址:廣州市黃埔區黃埔東路621號
【本文標簽】:柴油供油泵 柴油點火油泵 3GR42*6AW21螺桿泵
【責任編輯】:遠東泵業 版權所有:http://www.cdhte.com/轉載請注明出處