來源:遠東泵業 發布日期
2019-12-06 08:21 瀏覽:-水電廠用3G70*6C2調速器壓油泵配55kw-4電機.
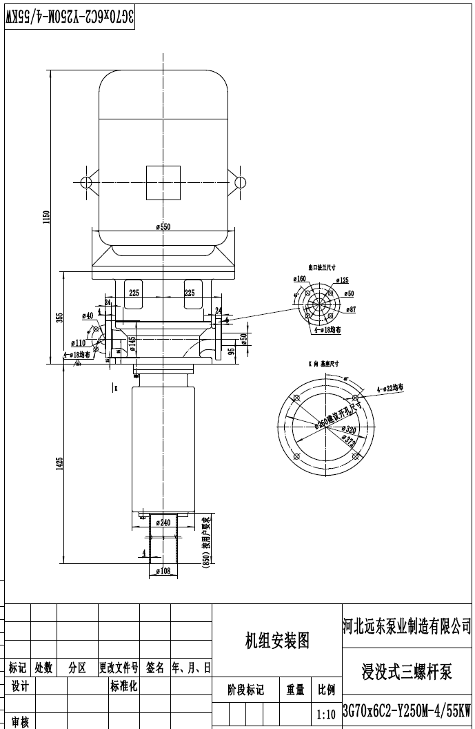
水電廠用3G70*6C2調速器壓油泵產品圖片

水電廠用3G70*6C2調速器壓油泵
●3GC三螺桿泵概述:
3GC系列水電行業專用三螺桿泵是使用在水力發電機組水輪機調速器油源裝置的供油系統和壓油系統上,是在3G三螺桿泵和3GJ三螺桿泵基礎上研發出的新型中高壓三螺桿泵產品,嚴格按照三螺桿泵國家標準GB/T10886-2002設計開發生產制造的三螺桿泵產品。

●3GC三螺桿泵主要技術參數:
1、流量范圍:10~2000 L/min (升/分鐘) 0.6~120m3/h (立方/小時)
2、壓力范圍:0~6.3 Mpa(兆帕)0~63bar(巴) 0-63kg/f (公斤力/平方厘米)
3、輸送介質粘度范圍:2-10000 cst(厘斯)
4、泵送溫度:100 ℃ (攝氏度)
5、容許高轉速:2900 r/min (轉/分鐘)
●3GC水電行業專用三螺桿泵 水輪機調速裝置 液壓潤滑裝置專用三螺桿泵
3G25×4C 3G25×4C 3G25×4C 3G25×4C
3G25×6C 3G25×6C 3G25×6C 3G25×6C
3G36×3C 3G36×3C 3G36×3C 3G36×3C
3G36×3C2 3G36×3C2 3G36×3C2 3G36×3C2
3G36×3C2A 3G36×3C2A 3G36×3C2A 3G36×3C2A
3G36×5C-F 3G36×5C-F 3G36×5C-F 3G36×5C-F
3G36×3-F 3G36×3-F 3G36×3-F 3G36×3-F
3G36×3-FA 3G36×3-FA 3G36×3-FA 3G36×3-FA
3G36×3-FB 3G36×3-FB 3G36×3-FB 3G36×3-FB
3G45×3C2 3G45×3C2 3G45×3C2 3G45×3C2
3G45×3C2A 3G45×3C2A 3G45×3C2A 3G45×3C2A
3G45×4C2 3G45×4C2 3G45×4C2 3G45×4C2
3G45×4C2A 3G45×4C2A 3G45×4C2A 3G45×4C2A
3G70×3C2 3G70×3C2 3G70×3C2 3G70×3C2
3G70×3C2A 3G70×3C2A 3G70×3C2A 3G70×3C2A
3G70×4C2 3G70×4C2 3G70×4C2 3G70×4C2
3G85×3C2 3G85×3C2 3G85×3C2 3G85×3C2
3G85×4C2 3G85×4C2 3G85×4C2 3G85×4C2
3G25×4C 3G25×4C 3G25×4C
3G25×6C 3G25×6C 3G25×6C
3G36×3C 3G36×3C 3G36×3C
3G36×3C2 3G36×3C2 3G36×3C2
3G36×3C2A 3G36×3C2A 3G36×3C2A
3G36×5C-F 3G36×5C-F 3G36×5C-F
3G36×3-F 3G36×3-F 3G36×3-F
3G36×3-FA 3G36×3-FA 3G36×3-FA
3G36×3-FB 3G36×3-FB 3G36×3-FB
3G45×3C2 3G45×3C2 3G45×3C2
3G45×3C2A 3G45×3C2A 3G45×3C2A
3G45×4C2 3G45×4C2 3G45×4C2
3G45×4C2A 3G45×4C2A 3G45×4C2A
3G70×3C2 3G70×3C2 3G70×3C2
3G70×3C2A 3G70×3C2A 3G70×3C2A
3G70×4C2 3G70×4C2 3G70×4C2
3G85×3C2 3G85×3C2 3G85×3C2
3G85×4C2 3G85×4C2 3G85×4C2
遠東泵業30多年來一直堅持為客戶創造價值!
我們在努力了解您的需求,遠東泵業提供給您的不僅僅是產品,還有的流體輸送解決方案。為你解決流體輸送的難題,讓你省心又省力!如果有任何關于流體輸送泵的疑問,請立即撥打遠東泵業免費咨詢熱線:020-82375311,我們會為您提供貼心的服務!
全國服務熱線:020-82375311
聯系電話:020-82375311
傳真:020-82386622
聯系QQ:2853715911
公司地址:廣州市黃埔區黃埔東路621號
【本文標簽】:調速器高壓螺桿油泵 3G70*6C2 高壓螺桿泵
【責任編輯】:遠東泵業 版權所有:http://www.cdhte.com/轉載請注明出處